中文字幕视频在线播放I开心激情久久I亚洲影院色I天天摸天天弄I精品亚洲va在线va天堂资源站I69亚洲视频

聯系方式
當前位置:大漢振動篩 > 技術知識 > 香菇粉振動篩分機分級除雜的應用

香菇粉振動篩分機分級除雜的應用

發布時間:2016-08-06 18:09:56 作 者:大漢機械 瀏覽次數:

  香菇粉振動篩分機概述:
  香菇粉主要用作調味輔料和調味品、藥用菌等。它不僅含有蛋白質、脂肪、糖和維生素B1、B2,還含有鈉、鈣、磷和麥角固醇等。香菇還含有30多種酶。與此同時,干香菇粉還含有其他人體必需氨基酸,營養豐富。香菇粉的篩分除雜通常選擇旋振篩,將粗香菇粉末過120目或140目,成品香菇粉就制作而成了。香菇粉旋振篩反復粉碎和篩分,直至成精細粉末為止。

      

          


  香菇粉振動篩分機配置以及產量:
  1.香菇粉振動篩分機接觸物料部門采用304不銹鋼材質;
  2.香菇粉振動篩分機密封件以及彈球采用食品標準的硅膠材質;
  3.香菇粉振動篩分機設備內外經過拋光處理,光滑整潔,無黑點,無毛刺;
  4.香菇粉除雜一般使用80-100目左右的篩網,使用S49-800-1S每小時產量達到300kg左右

香菇粉振動篩分機


  香菇粉的生產工藝:
  香菇粉工藝流程為原料香菇→水洗→浸泡→晾曬→切碎→干燥→粉碎→過篩→成品香菇→粉
  香菇原材,經過去雜、去根、過濾、蒸汽殺菌烘干、微粉加工、冷卻。
  經過以上工藝自作而成的香菇粉的功效如下:
  1.新鮮度能夠得到大程度的保障,提升調味料的獨特。
  2.高溫蒸汽的作用下,可以殺死有害細菌。
  3.旋振篩篩選雜質后,粉末純度得到提高。
  4.香菇粉含有豐富鈣和碘等有機物,不僅可以強壯骨骼幫助消化吸收,清香的味道,還可以作為寶寶們斷奶時期的調味料。

香菇粉振動篩分機


  香菇粉圓形振動篩分機分機的工作原理:
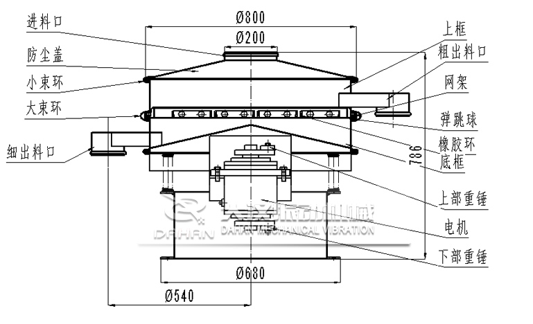
  香菇粉旋振篩與物料接觸部分為采用優質316L不銹鋼材質,底座為碳鋼材質。316L香菇粉旋振篩是一種高精度細粉篩分機械,工作原理是由直立式電機作激振源,電機上、下兩端安裝有偏心重錘,將電機的旋轉運動轉變為水平、垂直、傾斜的三次元運動,再把這個運動傳遞給篩面。調節上、下兩端的相位角可以改變香菇粉在篩面上的運動軌跡,產品同時配備專門的篩網清理裝置,把堵網率降到低,過網效率和處理精度得以有效提高深受廣大用戶的一致好評!

香菇粉振動篩分機的結構圖

 

閱讀此文的人還閱讀了以下內容:
相關文章
產品類別
聯系我們

電話:0373-268 2333

手機:15836198876(微信同號)

地址:延津縣森林公園大門西1000米

在線咨詢掃掃